专利号:2020106267350
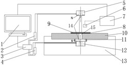
本发明提供了一种电磁铁辅助激光冲击复合的强化装置及方法,涉及激光和磁场加工领域,包括激光发生设备和电磁铁;待加工工件设置在工作台上,两块所述电磁铁分别设置在待加工工件的上方和下方,且待加工工件置于电磁铁形成弧形磁场内;所述激光发生设备和电磁铁同时工作用来对待加工工件复合加工。该方法对工件施以特定的弧形磁场,利用强磁场的磁致塑性效应,降低金属工件表层的塑性变形抗力,减弱工件表层在激光冲击过程中的加工硬化,从而配合激光冲击,以提高激光冲击的影响深度,特别是使残余压应力的深度更大,压应力分布更适应如小孔结构等构件的立体强化的要求,适应更厚工件和更高强度材料的强化。
