专利号:2019111973638
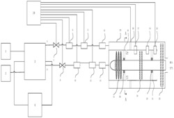
本发明提供了一种燃料电池燃烧式尾气处理装置及其控制方法,该尾气处理装置包括供氧系统、供氢系统、燃料电池、冷却系统、控制单元和二次燃烧尾气处理装置,燃料电池阳极尾气和阴极尾气通过管道进入二次燃烧尾气处理装置中,控制单元控制尾气中氢气的含量,达到安全燃烧的可燃混合气条件,送入第一燃烧室部分,燃烧后氢气流量传感器检测尾气中氢气含量,如果还残留氢气,和空气进行二次混合,进入第二燃烧室燃烧,使尾气中不含氢气,排入空气中。本发明能解决少量氢气可能存在的安全隐患及对环境不可预测影响的问题,无需增加气液分离装置,成本低,防止废水在低温环境下结冰,导致管路堵塞。
