首 页
党建工作
科技成果
生物医药
智能产业
信息技术
新材料
新能源
其他领域
科技服务
科技成果评价
产学研合作
院士工作站
技术合同登记
培训服务
科技创新券
专利技术评估
高层次人才
高技术项目
招才引资
其他
专家智库
会员风采
理事单位
会员单位
新闻资讯
促进会动态
行业新闻
通知公告
会员单位风采
关于我们
促进会简介
联系我们
加入我们
当前位置:
首 页
> 供需中心 > 找专利
找项目
找人才
找成果
找专利
找融资
一种厚板印花装置
查看详情
一种能在丝网印花中精确定位的印花台板及其使用方法
查看详情
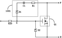
一种具有限时自吸收抛负载过压保护电路的发电机电压调
查看详情
一种用于锥齿轮粉末冶金机的软磁罐式高转换电感器
查看详情
一种消防机器人主机
查看详情
一种具有压电阻尼的船舶用螺旋桨叶片及制备方法
查看详情
上一页
下一页
热门需求
友情链接
FRIENDSHIP LINK
惠企知识产权研究院
联系电话:0631-5166712 联系地址:山东省威海市环翠区城阳路36号606室 联系邮箱:kjcgzhcjh@163.com
版权所有:威海市科技成果转化促进会
鲁ICP备2023019057号-1